您好,欢迎来到深圳智慧动锂电子!
服务热线:
0755-27676958
首页
新闻中心
公司动态
行业新闻
常见问题
视频中心
产品中心
工商业储能
家储
智锂狗系统
产品及方案
笔记本锂电保护管理IC
电动工具锂电保护管理IC
无人机锂电保护管理IC
智能手机锂电保护管理IC
电动车锂电保护管理IC
资料下载
关于我们
公司简介
企业文化
发展历程
荣誉证书
技术专利
人才招聘
人才理念
人才招聘
员工生活
联系我们
商城
P
roduct
| 产品及方案
产品中心
PRODUCT
笔记本锂电保护管理IC
电动工具锂电保护管理IC
无人机锂电保护管理IC
智能手机锂电保护管理IC
电动车锂电保护管理IC
资料下载
联系方式
CONTACT
地址:深圳市宝安区石岩街道黄峰岭工业区天格科技园B栋东座
邮编:518101
电话:0755-27676958
传真:0755-27810916
邮箱:likernu@szssyx.com
智能手机锂电保护管理IC
>
产品中心
>
智能手机锂电保护管理IC
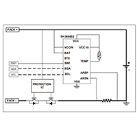
SH366002
产品介绍
特点 :
01、实现单串(1sXp)锂电池芯的计量,包括电压、电流、电量;
02、采用最新Fusion Gauge算法,确定电池剩余容量;
03、支持SMBUS和SWI两种通信协议;
04、支持两种温度测量(内部温度和外部温度);
05、支持SHA-1认证;
06、低功耗系统设计;
07、DFN12封装 ;
概述:
SH366002为电量计,可实现充/放电电流、电芯电压、系统温度的检测,通过最新Fusion Gauge算法来计算电池组剩余电量。
SH366002规格书
友情链接:
深圳三秦商会
现代单片机
中国电池网
中颖电子网
天宏电子网
神州电脑网
卓能新能源
格瑞普电池
兴旺达电子
拓邦新能源
雷崴电子网
海拓伟电子
京ICP证000000号
粤公网安备 44030602005823号
top