您好,欢迎来到深圳智慧动锂电子! 服务热线:0755-27676958

Product | 产品及方案

产品中心 PRODUCT
笔记本锂电保护管理IC
电动工具锂电保护管理IC
无人机锂电保护管理IC
智能手机锂电保护管理IC
电动车锂电保护管理IC
资料下载
联系方式 CONTACT
地址:深圳市宝安区石岩街道黄峰岭工业区天格科技园B栋东座
邮编:518101
电话:0755-27676958
传真:0755-27810916
邮箱:likernu@szssyx.com
电动工具锂电保护管理IC
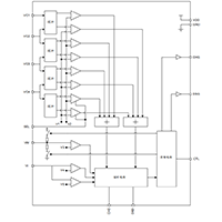
SH367003
产品介绍
        

特点:
01、通过SEL端口实现3/4节电池串联应用切换;
02、高精度电压(针对每节电池)检测功能:高电压模式(适用于液态锂离子电池/聚合物锂离子电池等);低电压模式 (适用于磷酸铁锂电池等);
03、3档放电过流检测功能;
04、通过外接电容预设过充电检测延时时间, 过放电检测延时 时间, 放电过电流保护1延时时间;
05、放电过电流保护2和放电过电流保护3延时时间内部固定;
06、通过CTL端口优先控制充放电端口;
07、宽工作电压范围: 3V - 24V;
08、宽工作温度范围: -40°C - 85°C;
09、低功耗:工作模式: 16μA (典型值);休眠模式: 1.5μA (典型值);
10、封装形式: 16-pin TSSOP;


概述: 
SH367003系列产品是用于3节或者4节串联可充电锂电池保护的IC, 能够提供高精度过充电保护电压, 过放电电压保护以及放电过电流保护。SH367003的过充电保护延时, 过放电保护延时和放电过电流1的延时可以通过外接电容调整。
SH367003具备宽温度工作范围和宽电压工作范围, 其特有的低电压模式兼容铁锂电池应用。



  • SH367003规格书
友情链接: 深圳三秦商会 现代单片机 中国电池网 中颖电子网 天宏电子网 神州电脑网 卓能新能源 格瑞普电池 兴旺达电子 拓邦新能源 雷崴电子网 海拓伟电子

京ICP证000000号

粤公网安备 44030602005823号

top